登入
聯絡我們
產品搜尋
繁體中文
English
简体
Español
購物車
0
產品搜尋
搜尋
組套內容料號搜尋
搜尋
產品介紹
產品介紹
更多產品
工具箱及工具車組套
手動套筒及配件
氣動套筒及配件
氣動工具
扭力工具類
扳手
鉗類
管道工具
螺絲起子、六角扳手、Bits
耐電壓工具
電子電工
鎚類與敲擊工具
通用工具
燈類
汽車修護工具
STARTER專業入門系列
促銷商品
新產品
新產品
更多產品
12A2MRS02
12件式 加長型輕量化複合扳手架組套(梅開扳手)
7AA105
3合1 矽利康工具
4405MXL
3件式 1/2" DR. 彩色氣動輪胎套筒組
6BC141A
可調式電烙鐵220V/20W&40W(歐規)
9AN4128
1/2" DR. 柴油噴油閥套筒
9AN4227
1/2" DR. 柴油噴油閥套筒
技術支援
品牌介紹
聯絡我們
產品或料號搜尋
產品搜尋
搜尋
組套內容料號搜尋
搜尋
全球經銷據點
English
简体
Español
0
首頁
產品介紹
氣動套筒及配件
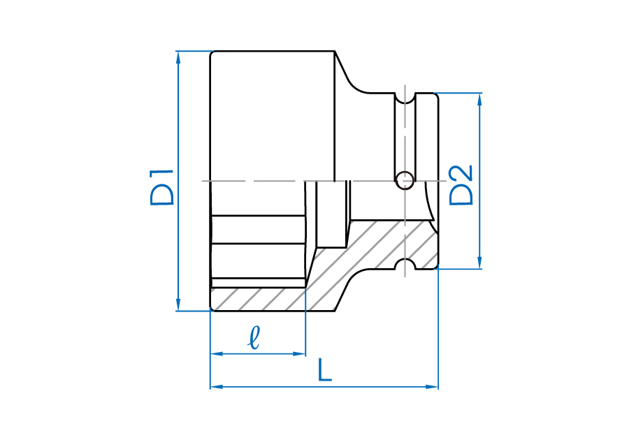
1-1/2" 套筒類
1-1/2" DR. 英制六角氣動標準套筒
氣動套筒及配件
9535S
1-1/2" DR. 英制六角氣動標準套筒
鉻鉬合金鋼
表面處理:磷酸錳
依據ANSI/ASME B107.1
目錄下載
分享
詢價
Favorite
產品規格
產品型號
全選/取消全選
953564S
2
81
86
35
85
2305
1 / 6
953566S
2-1/16
82
86
36
85
2364
1 / 6
953568S
2-1/8
84
86
36
90
2508
1 / 6
953570S
2-3/16
85
86
43
93
3204
1 / 6
953572S
2-1/4
87
86
43
93
5209
1 / 6
953574S
5-5/16
89
86
43
93
2560
1 / 6
953576S
2-3/8
90
86
45
95
2622
1 / 6
953578S
2-7/16
93
86
44
95
2711
1 / 6
953580S
2-1/2
95
86
46
97
2833
1 / 6
953582S
2-9/16
96
86
49
100
2863
1 / 6
953584S
2-5/8
99
86
48
100
2958
1 / 6
953586S
2-11/16
101
86
48
100
3055
1 / 6
953588S
2-3/4
103
86
48
103
3217
1 / 6
953590S
2-13/16
105
86
50
105
3306
1 / 6
953592S
2-7/8
107
86
50
105
3600
1 / 6
953594S
2-15/16
108
86
50
105
3455
1 / 6
953596S
3
111
86
50
105
3590
1 / 4
953598S
3-1/16
114
86
52
105
3931
1 / 4
9535A0S
3-1/8
116
86
53
105
4123
1 / 4
9535A2S
3-3/16
118
86
53
105
4089
1 / 4
9535A4S
3-1/4
120
86
54
105
4829
1 / 4
9535A6S
3-5/16
122
86
56
105
4207
1 / 4
9535A8S
3-3/8
123
86
56
105
4306
1 / 4
9535B0S
3-7/16
125
86
57
105
4256
1 / 4
9535B2S
3-1/2
129
86
60
110
4905
1 / 4
9535B4S
3-9/16
130
86
60
110
5435
1 / 4
9535B6S
3-5/8
131
86
60
110
4894
1 / 4
9535B8S
3-11/16
133
86
62
113
5468
1 / 1
9535C0S
3-3/4
136
127
62
113
3741
1 / 1
9535C2S
3-13/16
138
127
64
120
9098
1 / 1
9535C4S
3-7/8
139
127
66
120
8954
1 / 1
9535C6S
3-15/16
140
127
66
120
8931
1 / 1
9535C8S
4
142
127
66
120
7886
1 / 1
9535D0S
4-1/16
143
127
68
120
7843
1 / 1
9535D2S
4-1/8
146
127
68
120
8003
1 / 1
9535D4S
4-3/16
146
127
70
120
7851
1 / 1
9535D6S
4-1/4
150
127
72
124
8385
1 / 1
9535D8S
4-5/16
154
127
72
124
8973
1 / 1
9535E0S
4-3/8
155
127
72
124
8923
1 / 1
9535E2S
4-7/16
155
127
75
128
9033
1 / 1
9535E4S
4-1/2
159
127
75
128
9258
1 / 1
9535E8S
4-5/8
164
127
79
132
13730
1 / 1
9535F2S
4-3/4
167
127
79
132
10386
1 / 1
9535F6S
4-7/8
171
127
79
136
10930
1 / 1
9535G0S
5
174
127
79
140
11338
1 / 1
9535G4S
5-1/8
180
127
80
143
12279
1 / 1
9535G8S
5-1/4
184
127
80
145
12728
1 / 1
9535J2S
6
203
127
85
165
14270
1 / 1
詢價
回上一頁